5102 Series - Bevelled Edge External Rings

DEFAULT SPECIFICATIONS

Brand HJ Tech
Standard 5102 Series
Material 65Mn/50#  SS301/SS304/SS316
Finish

Zinc/Black

Size 5102-100---5102-1000  
Industry Equivalents  VSH;MS16630;1402  

 

 

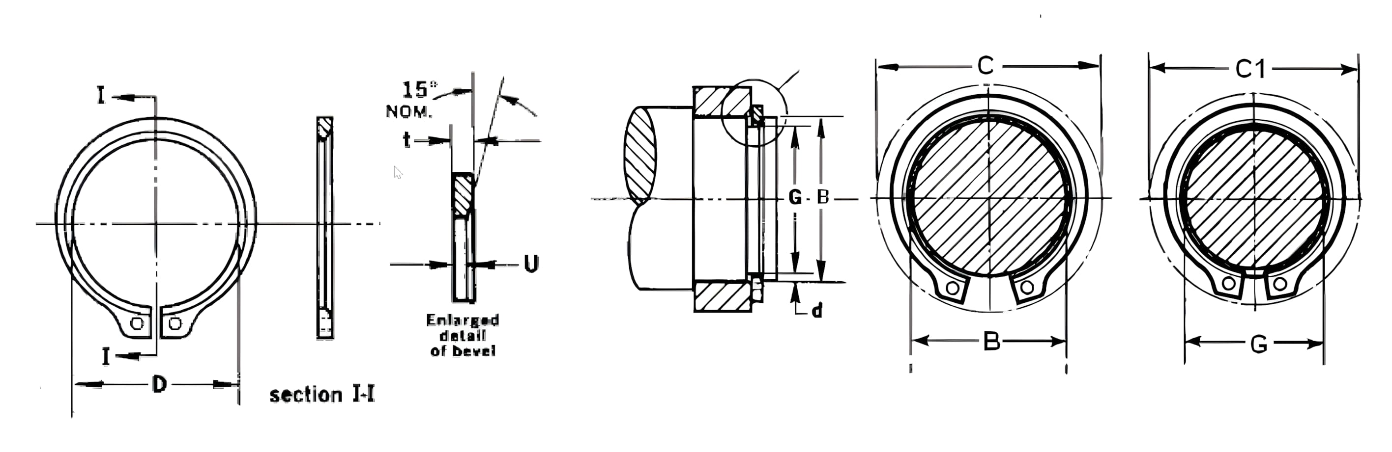
5102 Series - Bevelled Edge External Rings

Description:

 

 

Part Number Application Diameter (B) Groove Diameter (G) Groove Width (W) Groove Depth Ring Diameter (D) Ring Thickness (t) Ring Radial Wall (b) Ring Weight (1000 pcs)

5102-100

1.000

0.930

0.037

0.035

0.925

0.042

-

3.600

5102-102

1.023

0.951

0.036

0.036

0.946

0.042

-

3.900

5102-106

1.062

0.992

0.044

0.035

0.982

0.050

-

4.800

5102-112

1.125

1.051

0.044

0.037

1.041

0.050

-

5.100

5102-118

1.188

1.108

0.044

0.040

1.098

0.050

-

5.600

5102-125

1.250

1.166

0.043

0.042

1.156

0.050

-

5.900

5102-131

1.312

1.224

0.042

0.044

1.214

0.050

-

6.800

5102-137

1.375

1.282

0.042

0.046

1.272

0.050

-

7.200

5102-143

1.438

1.343

0.042

0.047

1.333

0.050

-

8.100

5102-150

1.500

1.397

0.041

0.051

1.387

0.050

-

9.000

5102-156

1.562

1.459

0.053

0.051

1.446

0.062

-

12.400

5102-162

1.625

1.516

0.053

0.054

1.503

0.062

-

13.200

5102-168

1.688

1.573

0.052

0.057

1.560

0.062

-

14.800

5102-175

1.750

1.631

0.052

0.059

1.618

0.062

-

15.300

5102-177

1.772

1.650

0.052

0.061

1.637

0.062

-

15.400

5102-181

1.812

1.688

0.052

0.062

1.675

0.062

-

16.200

5102-187

1.875

1.748

0.052

0.063

1.735

0.062

-

17.300

5102-196

1.969

1.832

0.051

0.068

1.819

0.062

-

18.000

5102-200

2.000

1.863

0.051

0.068

1.850

0.062

-

19.000

5102-206

2.062

1.921

0.067

0.070

1.906

0.078

-

25.000

5102-212

2.125

1.979

0.067

0.073

1.964

0.078

-

26.100

5102-215

2.156

2.008

0.067

0.074

1.993

0.078

-

26.300

5102-225

2.250

2.096

0.066

0.077

2.081

0.078

-

27.700

5102-231

2.312

2.154

0.065

0.079

2.139

0.078

-

28.000

5102-237

2.375

2.212

0.065

0.081

2.197

0.078

-

29.200

5102-243

2.438

2.270

0.065

0.084

2.255

0.078

-

29.500

5102-250

2.500

2.328

0.064

0.086

2.313

0.078

-

29.700

5102-255

2.559

2.397

0.064

0.081

2.377

0.078

-

33.900

5102-262

2.625

2.448

0.064

0.088

2.428

0.078

-

35.000

5102-268

2.688

2.505

0.064

0.091

2.485

0.078

-

36.000

5102-275

2.750

2.563

0.079

0.093

2.543

0.093

-

47.000

5102-287

2.875

2.679

0.078

0.098

2.659

0.093

-

48.500

5102-293

2.938

2.737

0.078

0.100

2.717

0.093

-

50.000

5102-300

3.000

2.795

0.077

0.102

2.775

0.093

-

52.000

5102-306

3.062

2.852

0.077

0.105

2.832

0.093

-

47.000

5102-312

3.125

2.912

0.076

0.106

2.892

0.093

-

58.000

5102-315

3.156

2.940

0.076

0.108

2.920

0.093

-

59.000

5102-325

3.250

3.026

0.076

0.112

3.006

0.093

-

62.000

5102-334

3.346

3.112

0.075

0.117

3.092

0.093

-

64.000

5102-343

3.438

3.199

0.075

0.119

3.179

0.093

-

66.000

5102-350

3.500

3.257

0.091

0.121

3.237

0.109

-

72.000

5102-354

3.543

3.297

0.091

0.123

3.277

0.109

-

73.000

5102-362

3.625

3.372

0.090

0.126

3.352

0.109

-

76.000

5102-368

3.688

3.430

0.090

0.129

3.410

0.109

-

80.000

5102-375

3.750

3.488

0.089

0.131

3.468

0.109

-

83.000

5102-387

3.875

3.604

0.089

0.135

3.584

0.109

-

88.000

5102-393

3.938

3.662

0.088

0.138

3.642

0.109

-

95.000

5102-400

4.000

3.720

0.088

0.140

3.700

0.109

-

101.000

5102-425

4.250

4.009

0.094

0.120

3.989

0.109

-

112.000

5102-437

4.375

4.126

0.094

0.124

4.106

0.109

-

115.000

5102-450

4.500

4.243

0.094

0.128

4.223

0.109

-

132.000

5102-475

4.750

4.478

0.092

0.136

4.458

0.109

-

113.000

5102-500

5.000

4.712

0.091

0.144

4.692

0.109

-

149.000

5102-525

5.250

4.947

0.105

0.151

4.927

0.125

-

190.000

5102-550

5.500

5.182

0.104

0.159

5.162

0.125

-

201.000

5102-575

5.750

5.416

0.103

0.167

5.396

0.125

-

199.000

5102-600

6.000

5.651

0.102

0.174

5.631

0.125

-

210.000

5102-625

6.250

5.886

0.132

0.182

5.866

0.156

-

282.000

5102-650

6.500

6.120

0.131

0.190

6.100

0.156

-

330.000

5102-675

6.750

6.355

0.130

0.197

6.335

0.156

-

356.000

5102-700

7.000

6.590

0.129

0.205

6.570

0.156

-

388.000

5102-750

7.500

7.059

0.158

0.220

7.039

0.187

-

534.000

5102-800

8.000

7.528

0.157

0.236

7.508

0.187

-

628.000

5102-850

8.500

7.997

0.154

0.251

7.977

0.187

-

700.000

5102-900

9.000

8.465

0.153

0.267

8.445

0.187

-

757.000

5102-950

9.500

8.935

0.150

0.282

8.915

0.187

-

820.000

5102-1000

10.000

9.405

0.148

0.297

9.385

0.187

-

964.000